|
DP1203 — решение проблемы последнего метра от XEMICS
Стремительное развитие электроники также стремительно изменяет и жизнь вокруг нас. Электронные устройства, к которым мы только начинаем привыкать, обретают новые свойства. Сотовые телефоны приобретают беспроводную гарнитуру, персональные компьютеры оснащаются беспроводными клавиатурой и мышкой, беспроводной доступ в Интернет уже реальность, появляются беспроводные счетчики электрической и тепловой энергии.
При создании таких устройств разработчиками решается задача беспроводной передачи данных на расстояния, не превышающие 1 км. Такие задачи в электронике называются «проблема последнего метра» и «проблема последнего дюйма».
Типичные примеры подобных приложений:
- Противоугонные системы.
- Системы идентификации RFID.
- Медицинское оборудование.
- Системы безопасности.
- Беспроводные устройства обмена информацией.
- Автономные телеметрические сенсоры.
- Домашняя автоматизация.
- Аварийные системы оповещения.
- Тренажеры.
Наиболее удобными устройствами для реализации подобных приложений являются встраиваемые радиомодули. Применение встраиваемых радиомодулей по сравнению с использованием так называемой «рассыпухи» позволяет уменьшить количество ошибок проектирования и существенно сократить срок разработки. Разработчику, использующему готовый радиомодуль, не требуется глубоких знаний СВЧ-техники.
Свои радиомодули предлагают различные производители, и среди них достойное место занимает продукция швейцарской фирмы XEMICS.
Рассмотрим более подробно преимущества радиомодулей DP1203 фирмы XEMICS. DP1203 построен на основе перспективного однокристального трансивера XE1203.
Особенности применения радиомодулей DP1203:
- Не требуется знаний ВЧ-электроники.
- Цифровой интерфейс.
- Функционально законченное устройство.
- Устанавливается на печатную плату.
- Габаритные размеры: 1,8x3 см.
- Доступно в упаковке для автоматизированных линий.
- Частота несущей: 433/868/915 МГц.
- Выходная мощность: 0–11 дБм.
- Чувствительность входа: –111 дБ (4,8 кбод 0,1% BER).
- Напряжение питания: 2,4–3,6 В.
- Ток потребления: RX = 14 мА.
- Ток потребления: TX = 62 мА (+ 11 дБм).
- Радиус действия: >500 м (прямая видимость).
Одним из основных достоинств DP1203 является возможность программно изменять различные параметры приема и передачи, такие, как скорость передачи, выходную мощность, частоту несущей, девиацию и другие, при этом программирование осуществляется через трехпроводной интерфейс SPI. Благодаря этой особенности, появляется возможность организовать многоканальную сеть приемопередающих устройств, используя различные поднесущие. Типичным примером такой сети может служить многоэтажный дом, оснащенный беспроводными счетчиками воды тепла и электроэнергии.
Несколько режимов снижения энергопотребления позволяют использовать радиомодуль в устройствах, работающих длительное время без замены элементов питания. Дополнительный вывод CLKOUT позволяет использовать DP1203 в качестве программируемого опорного генератора для тактирования микроконтроллера, заменяя кварцевый резонатор и удешевляя схему.
DP1203 имеет два набора конфигурационных регистров, которые могут быть запрограммированы по отдельности. При программировании конфигурационных регистров задаются два режима работы трансивера. Переключить трансивер из одной конфигурации в другую можно либо программно через интерфейс SPI, либо аппаратно, манипулируя выводом SWITCH. В набор переключаемых параметров входят выходная мощность, частота несущей и некоторые другие.
Используя эту возможность, можно легко построить канал связи с расширением спектра за счет перескоков частоты — Frequency Hopping Spread Spectrum (FHSS). Возможность программирования скорости передачи позволяет в зависимости от приложения либо увеличить скорость передачи до значений, позволяющих передавать звук без искажений, либо уменьшить ее, и за счет этого увеличить дальность связи.
Возможность программирования выходной мощности позволяет в зависимости от приложения либо уменьшить энергопотребление, либо увеличить дальность связи, а в сочетании с функцией определения уровня мощности принимаемого сигнала RSSI становится реализуемой идея адаптивного изменения мощности.
Функция контроля сдвига несущей частоты FEI позволяет производить точную настройку частот передающего и приемного тракта. Встроенный синхронизатор данных позволяет принимать данные чистые от помех, при этом отпадает необходимость какой-либо дополнительной внешней обработки данных.
Еще одной особенностью радиомодуля DP1203 является узел распознавания данных. При его работе приемный тракт сканирует входящий поток данных и сравнивает его с заранее заданным эталонным значением. При совпадении эталонного значения и фрагмента потока принятых данных формируется соответствующее сообщение. Разрядность эталонного кода и количество несовпадений при сравнении могут быть запрограммированы заранее. Используя эту функцию, можно организовать сеть из адресуемых устройств. Сообщения, передаваемые в такой сети, будут содержать адрес и тело сообщения, адрес конкретного устройства будет задаваться эталонным регистром.
Уникальным узлом, характерным для радиомодуля DP1203, является кодек Баркера. При кодировании Баркера каждый бит данных шифруется несколькими «чипами» (chip), скорость передачи которых составляет 12,7 кчип/с. Таким образом, в сигнал вносится избыточность. Благодаря этой избыточности и особенностям спектральных характеристик кодов Баркера, сигнал, зашифрованный подобным образом, может без потерь передаваться в радиотракте при уровне помех, соизмеримых с уровнем полезного сигнала.
Совмещение в одном корпусе функций приемника и передатчика и встроенный коммутатор антенны позволяют упростить схему всего устройства, минимизировать габаритные размеры приемопередающего тракта снизить энергопотребление.
Благодаря широкому рабочему температурному диапазону DP1203 может найти применение во многих областях промышленных приложений. А корпус SMD и доступность в упаковке для автоматизированных сборочных линий позволяют уменьшить затраты производства.
В настоящее время доступными для заказов являются радиомодули DP1203-C868 и DP1203-C915, работающие в частотных диапазонах соответственно 868 и 915 МГц. Радиомодуль DP1203-C433, работающий в частотном диапазоне 433 МГц, в настоящее время находится на стадии тестирования и в серийном производстве ожидается к лету 2004 года.
Более полную информацию о характеристиках интегрального трансивера XE1203, на основе которого построен радиомодуль DP1203, вы можете найти в оригинале (http://www.xemics.com/docs/xe1200/xe1203_datasheet.pdf). Внешний вид радиомодуля DP1203 показан на рис. 1, а структурная схема приведена на рис. 2.
 Рис. 1. Радиомодуль DP1203
 Рис. 2. Схема модуля DP1203
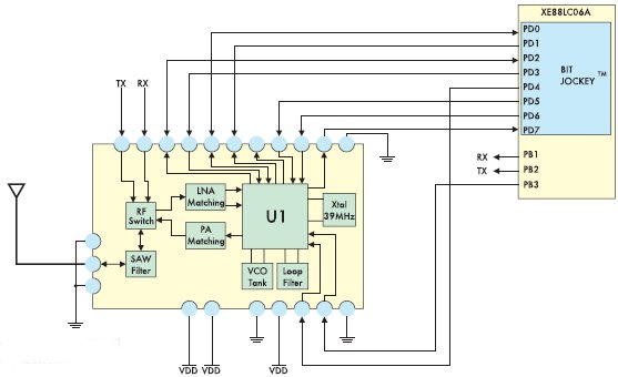
На рис. 3 приведен вариант подключения радиомодуля DP1203 к микроконтроллеру XE88LC06A фирмы XEMICS. На сайте фирмы XEMICS по адресу http://www.xemics.com/docs/xe8000/Api120x.zip можно скачать пакет интерфейсных программ разработчика — API (Application Program Interface), а также его описание и руководство по использованию: http://www.xemics.com/docs/xe8000/tn8000_18_1200_api.pdf. Пакет интерфейсных программ разработчика специально предназначен для работы микроконтроллеров фирмы XEMICS c устройствами на основе трансиверов серии XE1200 и, в частности, DP1203. Пакет включает в себя такие процедуры, как инициализация, прием данных, передача данных и другие. Несмотря на то, что этот программный пакет разрабатывался специально для процессоров XEMICS, исходные коды процедур написаны на языке С и с минимальными изменениями могут быть использованы при работе с микроконтроллерами других фирм.
 Рис. 3. Подключение радиомодуля DP1203 к микроконтроллеру XE88LC06A
Более подробное описание радиомодуля DP1203 вы можете найти в документе http:// www.xemics.com/docs/xe1200/dp1203_datasheet.pdf.
Геннадий Горюнов
|