| 
 Встроенные модемы TDK: быстрая передача данных с малой скоростью Большинство людей, знакомых с компьютером, полагают, что быстрее значит лучше. Особенно, если это касается модемов, скорости которых выросли (с 1980 года) с 300 бит/с до 56 кбит/с. Когда мы бродим по Интернету или закачиваем данные, то очень хочется, чтобы это выполнялось как можно быстрее (мало найдется желающих загружать сайт с графикой и анимацией по модему с поддержкой стандарта V.32bis). Высокоскоростной модем — это просто замечательно. Всегда ли? За достижения в скорости передачи данных приходится расплачиваться усложнением процесса соединения: чем выше скорость модема, тем больше время подключения (таблица 1). Таблица 1 
    | Стандарт соединения | Максимальная скорость передачи, bps | Среднее время соединения, с |  
    | V.22 F.C. | 1200 | 0,5 |  
    | V.22 | 1200 | 3,0 |  
    | V.22bis | 2400 | 5,0 |  
    | V.32bis | 14400 | 7,8 |  
    | V.34 | 28800 | 10,7 |  
    | V.90 | 336001 | 25–27 |  
    | V.922 | 480003 | 12,5–13,5 |  
— теоретическое значение;— стандарт пока не утвержден ITU; 
— теоретическое значение, реальная скорость (по некоторым оценкам) — не более 40 кбит/с.
 Конечно, если вы используете модем для Интернета с доступом по коммутируемой линии, то время соединения для вас некритично, важно, чтобы модем был побыстрее. Однако, когда вы работаете с теми приложениями встроенных модемов, где величина передаваемых данных ограничена сотнями байт, то следует не один раз подумать, нужен ли вам быстрый модем.  Если во время каждой транзакции передается небольшой объем данных, то хорошая система передачи может быть создана с использованием «медленного» стандарта. При передаче данных до 1500 байт применение медленного модема позволит установить соединение и передать данные прежде, чем высокоскоростной модем установит соединение (диаграмма на рис.1 показывает общее время установки соединения, передачи данных 100, 500 и 1000 байт и завершения соединения). Примеров передачи небольших объемов информации достаточно: кассовые аппараты, системы сигнализации, дистанционное считывание информации с датчиков и т.д.   Рис. 1. Общее время передачи небольшого объема данных модемами разных стандартов (установка соединения, передача данных, завершение соединения)
 Как пример рассмотрим передачу 100 байт. Модем со скоростью передачи 1200 байт/с установит соединение и передаст 100 байт менее чем за 4 секунды, т.е. на 22 секунды быстрее, чем установит соединение модем V.90. Использование модема, поддерживающего оптимизированный протокол соединения, позволит передать данные за 1 (одну!) секунду. Модемы 73К222 или 73М2901 фирмы TDK Semiconductor Corp. устанавливают соединение за 0,5 секунды (на 25 секунд быстрее, чем «быстрый» модем V.90). Таким образом, экономится время, которое стоит денег. Вопрос о том, надо ли платить дополнительные деньги за то, что не нужно и никогда не будет использоваться, отпадает сам по себе.  «Медленные» модемы TDK Semiconductor Corp. рассмотрим на примере семейства 73К. Младшая модель этого семейства 73К222AL представляет собой функционально законченный модем, который поддерживает стандарты V.22, V.21, Bell 212A, Bell 103 и обеспечивает дуплексную передачу данных по коммутируемым линиям связи. В режиме Bell 212A используется тональный сигнал ответа частотой 2225 Гц. При работе в стандарте V.22 формируется сигнал защиты 550 или 1800 Гц, распознается и генерируется сигнал ответа 2100 Гц, данные передаются со скоростью 600 бит/с или со скоростью 300 бит/с для стандарта V.21. Объединение на одном кристалле аналоговой и цифровой схем, а также матрицы переключаемых конденсаторов позволило получить хорошую производительность и высокий уровень функциональной интеграции в 28–выводном корпусе DIP или PLCC.  В модеме 73К222 реализованы функции модулятора–демодулятора относительной фазовой манипуляции (DPSK) и частотной манипуляции (FSK), обработка сигнала вызова, контроль сигналов квитирования (установления связи) и генератор тонального сигнала (европейский стандарт).  Асинхронный режим работы. При использовании относительной фазовой манипуляции данные обязательно должны передаваться в синхронном режиме. Для этого в 73К222 встроены преобразователи асинхронных сигналов в синхронные (ASYNC/SYNC) и обратно (SYNC/ASYNC), которые убирают или добавляют стоповые биты в передаваемые данные. В асинхронном режиме последовательные данные со скоростью 1200 или 600 бит/с (нестабильность передачи +1,0 %,–2,5 :) поступают с вывода TXD на вход преобразователя ASYNC/SYNC, где добавлением или удалением стоповых битов достигается нестабильность скорости не более ±0,01%.  Поток данных после преобразователя ASYNC/SYNC направляется через шифратор (скремблер) данных на аналоговый модулятор. Нешифрованные данные передаются мимо шифратора данных, который отключается процессором. В режиме частотной манипуляции преобразователь ASYNC/SYNC и шифратор данных отключаются.  Последовательные данные после демодулятора поступают сначала на дешифратор данных, а потом на SYNC/ASYNC преобразователь, где вставляются все удаленные стоповые биты и осуществляется передача данных на выход со скоростью не более 1219 бит/с. Входной импульс сброса будет проходить без вставки стопового бита. В преобразователе SYNC/ASYNC реализован режим повышенного быстродействия (диапазон больше на +1% или на +2,3:).  Синхронный режим работы. Режим аналогичен асинхронному, за исключением того, что данные должны быть синхронизированы тактовыми импульсами и никакие изменения скорости передачи данных не допускаются. Последовательность входных данных, поступающих на вывод TXD, тактируется по фронту TXCLK. Преобразователь ASYNC/SYNC при синхронном режиме работы отключается и данные передаются на выход с такой же скоростью, как принимаются входные.  Модулятор/демодулятора DPSK. Модем 73К222 модулирует поток данных в двоичные элементы, которые представляют четыре возможных фазовых сдвига по стандартам Bell 212A или V.22. Затем для снижения межсимвольных помех на двухпроводной телефонной линии групповой сигнал фильтруется. Частота несущей составляет 1200 Гц (вызов) или 2400 Гц (ответ). При демодуляции происходит обратный процесс: получение потока последовательных данных с несущей 1200 Гц (ответ) или 2400 Гц (вызов).  Модулятор/демодулятора FSK. Модулятор FSK формирует частоты для модуляции аналогового выходного сигнала (с использованием двух дискретных частот) и получения двоичных данных. В стандарте Bell 103 используются частоты 1270 и 1070 Гц (вызов, метка и пауза) или 2225 и 2025 Гц (ответ, метка и пауза). При работе по стандарту V.21 применяются частоты 980 и 1180 Гц (вызов, метка и пауза) или 1650 и 1850 Гц (ответ, метка и пауза). В режиме демодуляции выполняется детектирование принятых частот и декодирование в соответствующий двоичный код. Интерфейс параллельной шины. Управление, выбор режимов и контроль состояния выполняется с помощью четырех 8–разрядных регистров, которые определяются контроллером управления как четыре последовательных ячейки памяти. Для адресации этих регистров используются мультиплексные адресные линии AD0, AD1 и AD2. Два регистра управления и регистр тональных сигналов являются обычной оперативной памятью, а регистр детектирования — ПЗУ.  Последовательный интерфейс предназначен для доступа к регистрам управления и состояния через последовательный порт (только 22–выводный вариант). В этом режиме на линиях А0, А1 и А2 устанавливаются адреса регистров для данных по управляющим сигналам на шинах RD или WR (временные диаграммы на рис.2).   Рис. 2
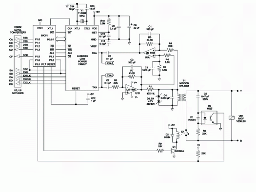
 Специальная схема детектирования определяет наличие несущей, сигналов вызова и ответа, качество принимаемого аналогового сигнала. При изменении любого из условий для этих сигналов устанавливается соответствующий бит в регистре детектирования и формируется прерывание (которое, впрочем, можно замаскировать). Практическое применение. Модемы семейства 73К разработаны для работы с контроллером управления, универсальным асинхронным приемопередатчиком (UART), интерфейсом RS–232 и телефонным интерфейсом по стандарту DAA. Если в качестве контроллера используется Intel 8048 или 80С51, то модем подключается напрямую (см. схему на рис. 3, питание ±5 В, ±12 В, вариант для напряжения питания +5 В — на рис. 4).  Кроме варианта модема с параллельной передачей адреса/данных (8039/8048, 8031/8051 и совместимые), выпускается исполнение для последовательного интерфейса. Эта версия в корпусе с 22 выводами для тех случаев, когда число линий интерфейса ограничено или когда невозможно использовать параллельный интерфейс. Кстати, в режиме последовательной передачи можно использовать и модем с параллельной передачей данных.  Подключение модема серии 73К к телефонной линии стандарта DAA выполняется на основе типовой схемы на двух операционных усилителях (рис. 3). ОУ в приемном тракте выполняет две функции: усиление входного сигнала до уровня срабатывания детекторов и демодулятора модема и фильтрация передаваемого сигнала (синфазная помеха). Это решается подачей части передаваемого сигнала на неинвертирующий вход приемного ОУ с такой же амплитудой, как и сигнал в трансформаторе, подавляя, таким образом, синфазную помеху.   Рис. 3
 Схема подключения к телефонной линии с однополярным питанием сложнее (рис. 4), но при этом отпадает необходимость в двухполярном источнике. Мостовое включение трансформатора позволяет передавать сигнал без искажений при питании +5 В. Т.к. сигналы тонального набора (DTMF) имеют более высокую амплитуду, чем данные, то они будут отсекаться при использовании усилителя с несимметричным выходом. Этот усилитель (дополнительный ОУ U1A) инвертирует сигнал с выхода ОУ U1B (поступающий на верхний по схеме вывод трансформатора Т1) перед подачей на второй вывод Т1. Приемный усилитель (U1C) шунтирует выходной сигнал и, как следствие, входной сигнал не искажается.   Рис. 4
 Особенности применения. Как таковых, особенностей нет. Для задающего генератора применяется кварцевый резонатор с частотой 11,0592 МГц (параллельный резонансный контур) и точностью не хуже ±0,01%. Для корректной работы к выводам кварца подключаются конденсаторы нагрузки, емкость которых в первую очередь определяется свойствами самого кварца и в незначительной степени  —   свойствами самого модема.  Требования к печатному монтажу аналогичны требованиям для аналого–цифровых схем: минимизация шумов и радиопомех. Если у вас нет желания или возможности заниматься блоком сопряжения с телефонной линией, то в этом случае можно использовать модем 73K222BL, в который встроен гибридный ключ для 2/4–проводной линии. Насколько при этом облегчается жизнь разработчика, видно из схемы на рис. 5.  Рис. 5. Схема включения модема
 Модем 73K222AU со встроенным приемопередатчиком UART. Задача преобразования параллельного кода в последовательный и обратно при приеме/передаче данных радикально решена в модеме 73K222AU, разработанного специально для использования в устройствах с интегрированной микроконтроллерной шиной. В таких случаях обычно необходим универсальный асинхронный приемопередатчик (UART) стандарта 8250 или более быстрый 16С450 (почти жизненная необходимость для связи параллельной шины с последовательной линией модема). В модем 73K222AU встроен такой приемопередатчик (рис. 6), что позволяет избавиться от множества внешних элементов, упростить и удешевить изделие. Особенностью этой ИС является возможность использования приемопередатчика UART независимо от модема — дополнительный асинхронный порт (бесплатно!).   Рис. 6. Блок-схема модема
 Модем 73K222AU работает в двух режимах. Двухпортовый режим: обычное подключение модема с использованием специального микроконтроллера управления. В этом режиме такой контроллер связывается с 73K222AU через отдельный последовательный порт. В однопортовом режиме основной процессор управляет и приемопередатчиком UART, и модемом по параллельной шине данных, что позволяет избавиться от дополнительного контроллера управления.  Для полноты счастья разработчика в состав 73K222AU входят гибридные формирователи для 2/4–проводной линии, усилитель реле и аудиоусилитель, позволяющий программно регулировать громкость сигнала вызова. Приемопередатчик UART 73K222AU полностью совместим с устройствами UART промышленных стандартов 16С450 и 8250. Шина интерфейса идентична 16450 за исключением того, что сигналы управления должны быть однополярными. Приемопередатчик UART 73K222AU может работать и с более быстрыми шинами, чем 16С450. Это позволяет подключать его непосредственно к более быстродействующим контроллерам без дополнительной схемы формирования задержки. Основная задача UART заключается в преобразовании параллельно передаваемых данных из процессора в последовательный код и последовательного кода в параллельный — при передаче данных от внутреннего модема или внешнего устройства. В приемопередатчике можно запрограммировать число битов на символ, сформировать и проверить бит четности, число стоповых битов. Помимо этого, возможно формирование и определение сигнала сброса, определение сбойной ситуации и текущего состояния в любое время. В приемопередатчик UART встроен программируемый генератор скорости передачи (внутренняя тактовая частота — 1,8432 МГц). Скорость передачи и приема данных должна быть одинаковой. При DPSK модуляции скорость передачи должна быть 1200 Гц или 600 Гц, при FSK модуляции — 300 Гц или ниже. Кроме этого, генератор скорости может формировать тактовый сигнал для цифровой передачи на скорости до 115,2 кГц. Программным способом возможен доступ к выходу генератора на выводе CLK.  Применение 73K222AU. Использование 73K222AU позволяет значительно упростить разработку для любого из двух режимов. Однопортовый режим является наиболее эффективным применением интегрального модема. При такой конфигурации передача данных и команд происходит через отдельный параллельный порт. Все управление осуществляется центральным процессором, при этом отпадает необходимость в дополнительном контроллере и соответствующих компонентах. Доступ к приемопередатчику UART и модему возможен через UART порт. В случае, если модем не используется, последовательный порт может работать независимо. Все возможности модема реализуются при двухпортовом режиме (рис. 7).   Рис. 7. Двухпортовый режим работы модема
 Дальнейшее развитие семейства 73К. Ускорить обмен данными позволяют модемы серии 73К224 (73К224L — аналог 73К222L, 73K224BL — аналог 73К222BL, со встроенным гибридным формирователем), работающие по стандарту V.22bis (и по стандартам, которые поддерживают модемы 73К222), и серии 73К324 (73К324L — аналог 73К222L, поддерживает стандарт V.23, 73K324BL — аналог 73К222BL, со встроенным гибридным формирователем). Итоги. В однокристальных модемах TDK Semiconductor Corp. реализованы все основные функции модема, что позволяет использовать эти ИС в различных приложениях: от систем управления до традиционных шин передачи данных. Дополнительную информацию можно найти по адресам www.tdksemiconductor.com. Ракович Н.Н. 
 
 |