| 
 Новый тип чип-конденсатора X2Y широкого применения фирмы PhycompКомпания Phycomp (Yageo Group) приступила к выпуску новых керамических конденсаторов, названных конденсаторами X2Y. В статье рассматриваются основные особенности этих конденсаторов и различные области их применения. Особенности конструкции
 Обычные конденсаторы, как известно, имеют две пластины (электроды), между которыми находится диэлектрический материал. Благодаря этому существует емкость между двумя проводящими пластинами компонента. Так выполняются, например, обычные керамические конденсаторы.
 При создании конструкции конденсатора X2Y между двумя активными электродами,выведенными на противоположные стороны,добавляется еще один электрод. Появление дополнительной платы приводит к появлению емкостей между нею и каждым проводящим электродом. При этом имеются также паразитные емкости, связывающие внешние области компонента с основными электродами. Теперь к данной конструкции добавляют два экрана или платы —верхнюю и нижнюю. Образующиеся при этом клетки Фарадея окружают электроды, а паразитные емкости оказываются как бы в ловушке, оставаясь внутри компонента. Конструкция X2Y использует емкостную связь, которая заряжает вновь появившиеся электроды компонента, называемые земляными электродами, зарядами разных знаков. Последнее позволяет получить чрезвычайно низкий импеданс для помехи, отводимой на землю.
 В обычном конденсаторе линии поля при их распределении выступают за края пластин, оказывая влияние на сигналы, проходящие по печатной плате и критичные к высоким частотам. Конструкция X2Y использует внутренние пластины, соединенные с землей, для того, чтобы свести к минимуму линии поля, выходящие за торцы устройства. В этом случае размещение X2Y поблизости от высокочастотных сигналов, проходящих по плате, не является критичным.
 При включении двух обычных конденсаторов параллельно, их емкость, как известно, суммируется, а импеданс соединительной земляной шины между двумя конденсаторами обязательно окажет влияние на резонансную частоту полученной конструкции, причем не в лучшую сторону. В конденсаторах X2Y дополнительные пластины, расположенные на каждой стороне, соединяются параллельно друг другу, чтобы уменьшить внутренний импеданс перед тем, как компонент будет подсоединен к земляной шине печатной платы. Внутренний импеданс земляной шины компонента включается параллельно к земле печатной платы. Следовательно, результирующий импеданс внутренний земляной шины и земляной шины, проходящей под платой X2Y, уменьшается приблизительно до половины наименьшего значения. Уменьшение импеданса между двумя конденсаторами, включаемыми параллельно, приводит к повышению результирующей резонансной частоты компонента, смонтированного на плате.
 На рис.1 показаны два обычных конденсатора, включенных параллельно, а также подключенный конденсатор X2Y, частотные зависимости их импедансов, из сравнения которых следует выигрышность нового типа конденсатора при работе на частотах выше резонансной.
 
 Несколько экспериментов показывают необходимость правильного подключения земли к X2Y. Измерения показали, что при испытаниях конденсатора X2Y емкостью 220 пФ в корпусе 1206 подключение двух земляных выводов конструкции позволяет увеличить резонансную частоту примерно на 80 МГц и существенно улучшить подавление по обе стороны от резонансной по сравнению с подключением только одного земляного вывода того же конденсатора. Правильное расположение единой земляной контактной площадки под X2Y обеспечивает еще меньший импеданс и дальнейшее уменьшение помех в схеме. Проведенные измерения помех показали, что X2Y остается емкостным компонентом в схеме далеко за теми частотными пределами, которые ожидались бы от обычных конденсаторов. Помехи создавались в широком диапазоне частот, включая микроволновую область (испытательная установка ограничивала частоту до 1200 МГц). Другой цикл измерений показал эффективность работы нового типа конденсатора вплоть до частоты 40 ГГц.
 Подавление помех с использованием конденсаторов X2Y
 Вначале дадим пояснения для двух типов помех, распространяющихся по проводам.
 Несимметричная помеха (common mode)— помеха, имеющая одинаковую величину и фазу от каждого провода по отношению к земле. Этот вид помехи вызывается одной из следующих причин:
 
Электростатическая индукция. При равной емкости между проводами и близлежащим монтажом развиваемое напряжение помехи б дет одним и тем же на обоих проводах.
Электромагнитная индукция. При одинаковой связи проводов с магнитным полем развиваемая помеха будет одинаковой по уровню на обоих проводах.
 Симметричная помеха (differential mode)— помеха, появляющаяся под воздействием разности потенциалов на обоих проводах тракта передачи сигнала или энергии.
 Рассмотрим более подробно подавление обоих видов помех.
 Несимметричные помехи при использовании обычных конденсаторов
 При использовании обычных конденсаторов они должны быть отобраны в процессе их производства с целью получения близкого допуска по емкости, что приводит к их удорожанию. Два обычных конденсатора монтируются на плате на одной стороне относительно земли, при этом, как результат монтажа, появляются последовательные индуктивности, и потенциал каждого из двух проводов относительно земли может изменяться в широких пределах.
 Семметричные помехи при использовании обычных конденсаторов
 Когда обычный конденсатор включается между линиями (проводами), фильтрация симметричной помехи эффективна только до резонансной частоты применяемого конденсатора, что сужает треб емый диапазон подавления. С целью расширения полосы подавления следует применять дополнительные конденсаторы.
 Одновременное подавление обоих видов помех конденсаторами X2Y
 Схемное решение X2Y содержит один «Х » конденсатор и два «Y » конденсатора в одном компоненте, следовательно, в нем заключаются три обычных конденсатора, в результате чего X2Y способен фильтровать как несимметричную, так и симметричную составляющие (рис.2).
 
 Емкостное симметрирование
 Как X2Y, так и обычные конденсаторы могут иметь различие в емкости двух конденсаторов до 20% при допуске 10%на каждый из них.  Однако только в конденсаторе X2Y, подключаемом между двумя линиями, Y-емкости конденсаторов, находящихся внутри  компонента, имеют весьма незначительное различие, что позволяет получить исключительно хорошую симметрию между линиями по отношению к земле (рис.3).
 
 Заземление X2Y
 Ниже описывается требуемый метод подключения при использовании компонента X2Y. Будет проведено сравнение с конструкцией стандартного конденсатора с тем, чтобы объяснить методологию подключения X2Y.
 Стандартный конденсатор
 Обычная технология изготовления конденсатора, содержащего две пластины, применяется много лет. Для увеличения емкости увеличивается количество разноименных пластин, которые подключаются к противоположным сторонам конструкции. Удачный монтаж такого компонента на плате находится интуитивным путем. Схема замещения стандартного конденсатора представляет собой сопротивление, индуктивность и емкость, включенные последовательно. В настоящее время все типы конденсаторов имеют элементы, включаемые последовательно с емкостью и этот элемент присущ конструкции конденсатора.
 Для конденсаторов, модель которых представляет собой последовательное соединение R, L и С, точка минимального импеданса соответствует последовательному сопротивлению (ESR) и определяет частоту, при которой L и С, образующие последовательную резонансную цепь, имеют одинаковые сопротивления. При фильтрации это можно охарактеризовать как точку, в которой имеет место максимальное подавление, как показано на рис.4.
 
 
 Как показано на рисунке, изменение емкости конденсатора приводит к изменению вносимого затухания и смещению точки резонанса по частоте. Однако существует новый альтернативный путь изменять вносимое затухание, не меняя значения емкости, посредством изменения конструкции компонента и способа его монтажа.
 Схема X2Y и подключение компонента
 Конструкция X2Y довольно необычна. Параллельно расположенные электроды располагаются между традиционными электродами различной полярности, тем самым образуется новая электрическая цепь. При таком выполнении стандартная схема замещения конденсатора в виде последовательной цепи RCL преобразуется в параллельную структуру RCL (рис.5).
 
 
 С введением в структуру конденсатора новых электродов в конструкцию добавляются выводы на противоположные стороны внешней поверхности. Новые выводы в конструкции определяют получение оптимальных результатов при использовании X2Y в любой схеме. На первый взгляд, X2Y имеет вид стандартного развязывающего чип-конденсатора и совсем не очевидна необходимость применения новых выводов, расположенных на разных сторонах этого элемента, называемых G1 и G2 и подключаемых к плате. Опыты по измерению уровня подавления помех показывают обратное. Специальное контактирующее приспособление использовалось для последовательного подключения выводов G1 и G2 для того, чтобы показать происходящие изменения в уровне подавления. Изменения в получаемых результатах оказываются достаточно красноречивыми.
 Полное отсутствие подавления несимметричной (common) помехи имеет место при подключении конденсатора X2Y между двумя проводами без заземления. При заземлении только одного из выводов G1 или G2 резонанс в частотной характеристике подавления наблюдается на частоте 300 МГц, уровень подавления 45 дБ. Хотя «земляные » электроды компонента подключены параллельно, внешнее подключение схемы к выводу G1 (или G2) остается последовательным, как и в случае обычного конденсатора. При подключении обоих выводов G1 и G2 конденсатора, они оказываются включенными параллельно по отношению к внешней цепи. Резонансная частота теперь смещается до 380 МГц при большем уровне подавления (48дБ).
 Полученные результаты экспериментов показывают важность правильного продолжения структуры «земли » компонента по отношению к внешнему монтажу. Печать под конденсатором X2Y на плате и порядок его монтажа должны быть вполне определенными. Показано, что использование одной непрерывной контактной площадки под выводами G1 и G2 конденсатора в противоположность к использованию отдельных площадок того же назначения, позволяет снизить уровень помех и, следовательно, рассматривается как обязательный прием для получения оптимальных характеристик. Чтобы гарантировать параллельное подключение «земляных» выводов к плате, требуются как минимум две контактные площадки. Три контактные площадки улучшат подавление, поскольку при этом снизится индуктивность подсоединения компонента.
 Возможные применения конденсаторов X2Y
 Рассматриваемые конденсаторы позволяют лучшить показатели всего устройства, а также снизить стоимость посредством уменьшения количества компонентов на плате и уменьшения площади платы. Разводка контактных площадок для монтажа X2Y очень важна для получения наибольшей эффективности этого типа конденсаторов. В частности, важным является создание непрерывной дорожки под выводами G1 и G2, а минимальное число переходных отверстий к земляной плоскости равно двум.
 Измерительный маломощный усилитель
 Рассмотрим применение конденсаторов X2Y в этом типе устройств. На рис.6 показано традиционное построение усилителя со стандартными компонентами.
 
 В этом случае требуется 7 обычных конденсаторов для фильтрации, которые занимают значительное место на плате и вызывают повышение стоимости изготовления из-за необходимости их размещения. Кроме того, конденсаторы С1 и С2 должны быть с узким (±5%) допуском с тем, чтобы избежать ухуд- шения подавления несимметричной (common) помехи. При выполнении усилителя с конденсаторами X2Y (рис.7) достигаются следующие преимущества:
 
7 обычных конденсаторов заменяются двумя конденсаторами X2Y.
Один из конденсаторов X2Y заменяет дорогостоящие слюдяные или пленочные конденсаторы,которые должны иметь узкий допуск по емкости.
 
 Как при традиционном построении, так и при использовании конденсаторов X2Y должны соблюдаться определенные требования к монтажу:
 
Устройство должно выполняться при использовании печатной платы,имеющей внутренний земляной слой.
Все соединения между компонентами должны быть максимально короткими.
Резисторы R1 и R2 могут быть обычными металлопленочными с допуском ±1%.
 Приемопередающее устройство
 В стандартном устройстве (рис.8) обычные конденсаторы подключены последовательно и имеют узкую рабочую полосу.
 
 При использовании конденсатора X2Y (рис.9) выводы А и В непосредственно подключены к излучающему диоду.
 
 Оба вывода G1 и G2 проходят к земле платы, причем под этими выводами проходит непрерывная дорожка. При использовании как обычных конденсаторов, так и конденсатора X2Y должны выдерживаться определенные требования:
 
Должно обеспечиваться подавление шума на свето-и фотодиодах.
Компоненты фильтра должны располагаться как можно ближе к выводам устройства.
Емкости конденсаторов фильтров должны быть достаточно малы с тем, чтобы избежать искажения сигнала.
 Операционные усилители
 При стандартном выполнении фильтра на входе операционного усилителя (ОУ)(рис.10) требуются три конденсатора, для их монтажа используется значительная площадь; кроме того, конденсаторы должны иметь узкий допуск по емкости для эффективной фильтрации несимметричной (common) составляющей.
 
 При использовании конденсатора X2Y (рис.11) появляются следующие преимущества:
 
треб ется только один конденсатор взамен трех;
треб ется меньше места на плате;
конденсатор X2Y конструктивно выполняется с узким допуском на емкости;
конденсатор X2Y эффективно функционирует в значительно более широком диапазоне, чем обычные конденсаторы.
 
 В данном приложении при использованиикак обычных конденсаторов, так и конденсатора X2Y необходимо соблюдать определенные требования:
 
Конденсаторы должны располагаться в непосредственной близости к усилителю или компаратору.
Все выводы конденсаторов или подводящие дорожки должны быть максимально короткими.
Шунтирующее действие емкостей по отношению к земле должно быть по возможности одинаковым.
 Устройство преобразования данных
 Стандартное применение микросхемы 8С250/1 предполагает использование трех дорогостоящих компонентов на выходной шине — common дросселя и двух нелинейных конденсаторов, которые, кроме того, занимают большое место на плате. Применение конденсатора X2Y на выходе рассматриваемой микросхемы позволяет обойтись только одним конденсатором, треб ется меньшая поверхность платы, эффективное подавление помех происходит в более широком частотном диапазоне.
 Кварц
 В обычном применении (рис.12) требуются два точно подобранных по емкости конденсатора для лучшего симметрирования схемы с кварцем.
 
 
 Преимущества при использовании в данном приложении конденсатора X2Y заключаются в следующем:
 
треб ется только один конденсатор;
используется меньшая площадь платы;
емкости конденсатора X2Y сбалансированы, то есть имеют узкий допуск;
конденсатор X2Y функционирует в более широком спектре частот.
 В обоих случаях, как с обычными конденсаторами, так и с конденсаторами X2Y, требуется выполнение определенных требований для реализации устройства:
 
конденсатор следует располагать по возможности максимально близко к кварцу;
желательно использование компонентов поверхностного монтажа для создания компактной конструкции;
применяемые емкости конденсаторов должны иметь узкий допуск для лучшего функционирования устройства.
 Датчик тока на основе эффекта Холла
 Стандартное применение требует двух обычных конденсаторов, обеспечивающих, как правило, плохую фильтрацию по несимметричной (common)составляющей. При использовании одного конденсатора X2Y с емкостью 10 нФ улучшается фильтрация помехи по несимметричной составляющей, улучшаются динамические параметры датчика (рис.13).
 
 Применение в разъемах (коннекторах)
 При стандартном использовании конденсаторов, применяемых совместно с разъемами для снижения уровня помех (рис.14), обычно появляется несколько проблем:
 
обычные конденсаторы,соединяемые с землей, эффективны только в узкой полосе частот;
как правило,треб ется применение ферритовых сердечников для улучшения фильтрации;
обычно треб ется дополнительная фильтрация на плате.
 
 Преимущества при использовании конденсаторов X2Y заключается в следующем:
 
треб ется вдвое меньшее количество конденсаторов;
повышается надежность;
фильтрация эффективна в более широкой полосе частот;
нет необходимости применения ферритовых сердечников;
конденсаторы X2Y позволяют снизить перекрестные помехи;
возможность расширения производства.
 При использовании конденсаторов в разъемах следует учитывать следующее:
 
конденсаторы целесообразно применять в тех случаях,где треб ется фильтрация на высокой частоте;
перекрестные помехи должны быть минимизированы;
размеры фильтров должны удовлетворять требованию миниатюризации.
 Многоплатные системы
 Фильтрация с использованием стандартных конденсаторов требует учитывать следующее:
 
конденсаторы действуют эффективно только в узкой полосе частот;
в каждом случае треб ется использование двух конденсаторов (по одному на каждую линию);
может потребоваться дополнительная фильтрация.
 Применение конденсаторов X2Y позволяет получить следующие преимущества:
 
на оба провода питания, соединяющих две платы,треб ется только один конденсатор;
эффективность фильтра достигается в более широком диапазоне частот;
отсутствует необходимость в дополнительной фильтрации;
 Применение как обычных конденсаторов, так и конденсаторов X2Y, треб ет выполнения некоторых условий:
 
фильтрующие конденсаторы следует использовать на всех входных и выходных проводах;
наиболее подходящими являются конденсаторы поверхностного монтажа при минимальной длине соединительных проводников;
допустимо применять низкие значения емкостей конденсаторов для сигнальных проводов, но необходимы их более высокие значения для мощных шин.
 Удерживающие (bulk) конденсаторы для импульсных источников питания
 Рассмотрим рис.15, где показан фильтр источника питания и конденсатор на его выходе.При использовании обычных конденсаторов каждый из них эффективен только в узкой полосе частот. Кроме того, треб ется большое число конденсаторов различных типов и емкостей. Конденсаторы X2Y, применяемые на входе и выходе источника питания, позволяют получить следующие преимущества:
 
конденсаторы X2Y имеют меньшее значение последовательного сопротивления (ESR);
треб ется меньшее число компонентов при использовании конденсаторов X2Y;
экономится площадь платы;
возрастает надежность;
фильтрация становится эффективной в более широкой полосе частот.
 
 
 При любом типе применяемых конденсаторов необходимо использовать компоненты с возможно более низким значением последовательного сопротивления. При этом необходимо использовать контактные площадки и переходные отверстия с целью уменьшения длины проводников, что позволяет снизить их индуктивность.
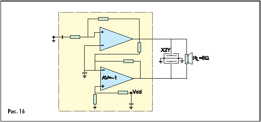
 Фильтр на выходе звукового усилителя
 При стандартном применении фильтра треб ется два проходных конденсатора, при этом появляется сопротивление по постоянному току в каждом выходном проводе. Выходная мощность в результате несколько снижается и, кроме того, фильтрация выполняется несимметрично.
 При использовании конденсатора X2Y необходим только один такой компонент вместо двух или даже большего числа элементов. Наблюдается лучшая симметрия, допуск на емкость между каждым проводом и землей составляет меньше 3%. Температурный уход и изменения, связанные со старением, оказываются малыми, вследствие того, что X2Y выполняется в одном корпусе. Кроме того при использовании конденсатора X2Y имеет место более широкополосное затухание при фильтрации. Использование конденсатора X2Y в звуковом усилителе показано на рис.16.
 
 Требования по использованию конденсаторов в усилителе заключаются в следующем:
 
необходимо применять фильтр в звуковом усилителе для удовлетворения существующих стандартов по помехам;
необходимо применять компоненты поверхностного монтажа;
элементы фильтра следует располагать как можно ближе к выходу усилителя для снижения возможности возникновения паразитной генерации;
решение должно быть удовлетворительным по стоимости.
 Применение конденсаторов X2Y в электродвигателях
 Приведем несколько существенных замечаний по применению X2Y для снижения помех, создаваемых электродвигателем.
 
Важно понимать, что X2Yявляется шунтирующим конденсатором.
 Вследствие того что компонент имеет боковые, а не только торцевые выводы, его часто путают с конденсатором, через который проходит силовой провод, то есть с проходным конденсатором. Фильтрационные свойства X2Y значительно улучшены, поскольку такой конденсатор является элементом, воздействующим одновременно на два провода. Для максимального подавления помех оба земляных выхода соединены с землей (имеется в виду G1 и G2), импеданс конденсатора понижается, и резонансная частота согласно проведенным экспериментам сдвигается в область более высоких частот на 80 МГц, составляя 380 МГц вместо 300.
 
X2Y позволяет заменить элементы,используемые ранее для подавления помех (дроссели,Х-и Y-конденсаторы больших размеров).Конденсатор X2Y емкостью 4,7 мкФ представляется лучшим выбором для того,чтобы начинать подавление помех в широкой полосе частот.
Необходимо обеспечить металлическое или металлизированное покрытие двигателя взамен пластикового (или пластмассового).Неэлектропроводящим останется только кожух двигателя.Металл необходим,поскольку при подсоединении X2Y с торца двигателя к его металлическому покрытию,последнее становится некоторой опорной поверхностью для устранения помех.При этом сам двигатель не нуждается в заземлении.
 Одним из примеров построения конструкций с металлическим покрытием и пластмассовым кожухом двигателя является следующий. Внутри пластмассового торцевого кожуха находятся металлизированные выступы, предназначенные для заземления. Они создают контакт с металлическим покрытием двигателя, когда корпус двигателя и его торцевой изолирующий кожух соединены. ежду силовыми проводами монтируется единственный X2Y, затем оба земляных вывода компонента припаиваются к контактам кожуха. Результаты измерений помех показали, что применение конденсатора X2Y совместно с двигателем, имеющим металлический корпус и пластмассовый кожух, позволило снизить уровень помех от 5 до 25 дБ по сравнению с традиционными способами подавления помех. Измерения проводились в диапазоне частот 100 кГц –1 ГГц.
 
Если это возможно, торцевой кожух выполняется металлическим. Поле вокруг двигателя снижается, металлический кожух работает как экран, помогающий удерживать помехи внутри двигателя. В результате применения металлизированного торцевого кожуха и конденсатора X2Y уровень помех двигателя омывателя лобового стекла автомобиля составил не более 5 дБ,что сопоставимо с естественным фоном. Полоса измерения составила 100 кГц –1 ГГц.
Для лучшего монтажа X2Y силовые провода, выходящие из двигателя, должны располагаться как можно ближе друг к другу.
Конденсатор X2Y наиболее эффективен, когда расположен в том месте металлизированного корпуса, где провода выходят из двигателя. Другими словами, X2Y должен быть последним компонентом, через который проходят помехи при выходе из двигателя (рис.17).
 
 
 Результаты, полученные при расположении X2Y как внутри двигателя, так и снаружи, (при этом X2Y располагается в непосредственной близости от выходящих из двигателя проводов) показали близкие результаты, при этом уровень помех находился на уровне естественного фона.
 
Следует обеспечить низкую индуктивность проводов, подходящих к выводам X2Y. Для уменьшения индуктивности дорожки, подходящие к компоненту, должны быть  по возможности широкими, а затем сужаться при приближении к выводам X2Y. Выводы G1 и G2 конденсатора X2Y должны подключаться к одной и той же дорожке с низким импедансом. Такая дорожка между указанными выводами уменьшает индуктивность, образующуюся при подключении конденсатора. При таком монтаже получается параллельное подключение земляных электродов X2Y, в результате чего снижается импеданс по отношению к земле (или корпусу двигателя)(рис.18).
 
 Когда провода, подходящие к выводам G1 и G2,имеют значительную длину и не являются достаточно широкими, помехи не проходят на корпус двигателя вследствие того, что индуктивность, связанная с проводами, создает высокий импеданс по отношению к земле (или корпусу двигателя). Обычное правило заключается в том, что длина подходящего к конденсатору проводника должна составлять менее четверти дюйма.
 
Когда применению емкости фильтра мешает расположение проводов или ограничено место для его размещения, можно использовать щеткодержатели, как место для размещения X2Y. Один из примеров расположения конденсатора рядом со щеткодержателями показан на рис.19.

Несколько других соображений. Конденсатор А1410, керамика Х7R, 0,4 мкФ, примененный в фильтре электродвигателя, выдерживает от 1,5 до 2 А в зависимости от частоты. Более высокие уровни токов могут потребовать большего размера X2Y; с другой стороны, известные способы ограничения энергии, такие, как использование диода, стабилитрона или RC-цепей, тоже могут быть применены. Важно не допускать следов краски или масла при заземлении корпуса двигателя — это обеспечит качественный контакт с землей на высоких частотах. Отверстия или щели в корпусе двигателя могут помогать излучению, что сделает неэффективным применение фильтра. Поэтому вентиляционные отверстия следует располагать подальше от источника помех — щеточного контакта.
 Таблица 1. Краткие данные 
    | Описание | Значение |  
    | Диэлектрики | NP0,X7R,(Y5V в разработке) |  
    | Номинальное напряжение UR (DC),В | 6,3,10,16,25,50 и 100 |  
    | Диапазон емкостей (Y конденсатор),нФ:
 0603
 0805
 1206
 1210
 1812
 | 
 33 –47
 33 –470
 100 –2200
 220 –4700
 470
 |  
    | Допуск на емкость | +5%;+10%;+20%;–20/80% |  
    | Испытательное напряжение (DC,1 минута):
 6,3,10,16,25,50 и 100 В
 | 2,5 x UR |  
    | Частные требования | IEC 60384 10, вторая редакция 1989 04 |  
    | Подробные требования | основываются на IEC 60384 10 1 |  
    | Температурная группа(IEC 60068) | NP0 и X7R 55/125/56,Y5V 25/085/21 |  Михаил Крюков 
 
 |